
비율차동계전기란 무엇일까요? 변압기를 보호하는 중요한 장치인 비율차동계전기에 대해 알아보세요. 이 글은 비율차동계전기의 동작 원리부터 적용할 때 문제점 및 대책까지, 15년 경력의 엔지니어 시선으로 쉽게 설명합니다. 변압기의 안전을 책임지는 이 기술을 함께 살펴볼까요?
비율차동계전기의 동작원리
전기의 세계에서 변압기는 전력을 안정적으로 전달하는 데 없어서는 안 될 필수 요소입니다. 그리고 그 보호막 역할을 톡톡히 해내는 것이 바로 '비율차동계전기'인데요. 이렇게 설명하면 역시 감이 안 올까 봐 쉽게 비유해 보겠습니다.
놀이공원의 롤러코스터에도 안전바가 있듯, 변압기에도 바로 이런 안전장치가 필요합니다. 자, 그럼 비율차동계전기가 어떻게 변압기를 지키는지, 우리 함께 아주 쉽게 살펴볼까요?
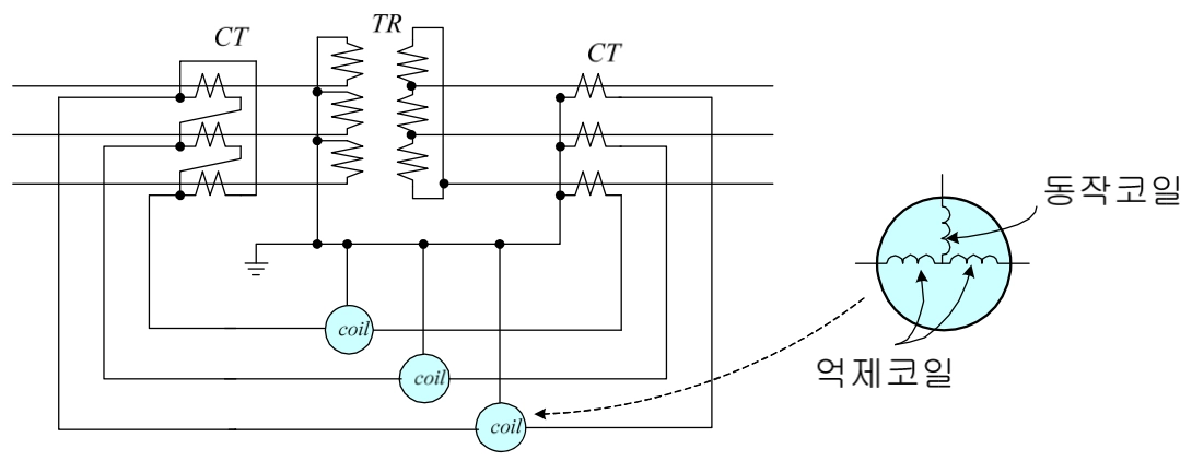
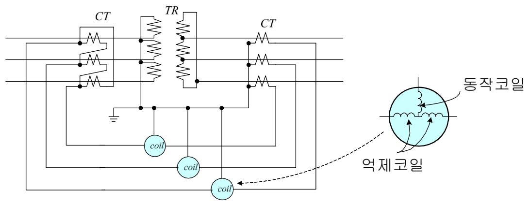
1 동작원리
비율차동계전기는 마치 수학 문제를 푸는 학생처럼? 숫자의 비율을 사용해 변압기 내부 문제를 감지하는 똑똑한 장치입니다. 이 기술은 변압기에 흐르는 전류의 변화를 감시하며, 이상 징후가 있을 때 빠르게 반응합니다.

2 동작특성
이 계전기는 마치 경계를 지키는 경비원처럼, 변압기 내부에 문제가 생겼을 때만 동작해요. 하지만 외부 문제에는 반응하지 않도록 특별히 설계되었죠. 억제 코일이라는 특별한 부품 덕분에, 오동작 없이 정확하게 문제를 파악하고 대처할 수 있답니다.
3 적용 시 문제점 및 대책
하지만 아무리 훌륭한 기술이라도 완벽할 수는 없죠. 비율차동계전기도 마찬가지로 특정 상황에서 오동작할 위험이 있어요. 하지만 걱정하지 마세요! 전문가들은 이런 문제를 해결하기 위해 여러 가지 대책을 마련해 두었답니다. 예를 들어, 고조파나 여자돌입전류를 억제하는 특별한 방법들이 있습니다.
고조파, 여자돌입전류를 억제하는 방법
방법을 설명해 드리기 위해 고조파와 여자돌입전류가 무엇인지 먼저 알고 넘어가야겠죠? 아는 것이 힘입니다.
1 고조파의 정의
고조파란 무엇일까요? 상상해 보세요. 피아노에서 기본 음을 누르면 아름다운 소리가 나지요? 근데 그 기본 음과는 조금 다른 높거나 낮은 소리가 섞여서 불협화음이 들린다면 어색하겠죠? 전기에서도 이와 비슷한 일이 발생해요. 우리가 사용하는 전기는 일정한 리듬과 패턴을 가진 '정상파'라고 하는데, 여기에 리듬이나 높낮이가 달라서 전기의 '불협화음'을 만드는 추가적인 파동이 섞일 수 있어요. 이를 '고조파'라고 합니다. 고조파가 많아지면 전기 장비가 제대로 작동하지 않을 수 있고, 때로는 손상을 입힐 수도 있습니다. 그래서 고조파를 효과적으로 제거하는 것이 필요하겠죠?
2 여자돌입전류의 정의
'여자돌입전류'는 변압기를 처음 켰을 때 잠깐 동안 나타나는 '큰 전류'를 말해요. 쉽게 예를 들어 비교하자면? 친구를 깜짝 놀라게 하려고 크게 소리를 지르는 것과 유사합니다. 그런데 이 큰 전류가 너무 강하면 변압기에 '깜짝 놀람'을 줄 수 있어서, 이를 조절해야 합니다.
3 고조파와 여자돌입전류를 억제하는 방법
이러한 문제를 해결하기 위해 전기 엔지니어들은 몇 가지 방법을 사용하고 있습니다.
비대칭파 저지법
여자돌입전류가 흐를 때, 비율차동계전기의 동작을 일시적으로 막는 방법입니다.
감도저하법
고조파나 여자돌입전류가 흐를 때, 동작코일을 우회시키거나 분로회로를 만들어 전류의 흐름을 조절해요. 이는 전류가 너무 강하게 흐르지 않도록 '속도 조절'을 하는 것과 비슷합니다.
고조파 억제법
여기서는 전류를 필터로 걸러 기본파(정상파)와 고조파를 나눕니다. 기본 파는 필요한 곳으로 흘러가고, 고조파는 따로 빼내어 억제하는 방법입니다.
정리하며
비율차동계전기는 변압기를 지키는 똑똑한 보디가드라고 생각하시면 쉽습니다. 변압기 내부에서 발생할 수 있는 문제를 정밀하게 감지하고, 필요한 경우 즉각적으로 대응합니다.
그리고 이렇게 중요한 역할을 수행하면서도, 오동작을 최소화하기 위해 다양한 기술적 대책이 마련되어 있죠. 비율차동계전기 덕분에 우리는 안전하게 전기를 사용할 수 있습니다. 이 작은 장치가 있기에, 큰 전력 시스템이 안정적으로 작동할 수 있답니다. 쉽게 설명하는 전기 시간. 오늘도 유익한 시간 보내셨기를 바랍니다. 다음 글을 기대해 주세요!
긴 글 읽어주셔서 감사합니다.
함께 보면 좋은 글들 :
영상암피던스와 변압기 결선방식 3가지
중학생도 이해할 수 있는 쉬운 설명으로 영상임피던스와 변압기의 세 가지 주요 결선 방식에 대해 알아봅니다. 단 3분의 시간 투자로 전기에 대한 기초적인 지식과 함께 실생활에서 변압기가 어
game.deucktem.com
케이블 포설방식에 따른 종류와 장단점
케이블 포설은 전기 및 통신 프로젝트에서 매우 중요한데. 케이블 포설 작업에는 트렌치, 터널 또는 덕트에 안전하고 효율적인 방식으로 케이블을 설치하는 과정이 포함됩니다. 현업에서 사용
game.deucktem.com
[재미있는 기초 전기] 기전력이란?
2021.03.11 - [분류 전체보기] - 전기의 기초 전기의 기초 전기가 인류 문명에 도입된 이후로 인류는 비약적인 발전을 이루었습니다. 여러분이 스마트폰을 사용할 수 있는 것도 엄밀히 따지면 전기
game.deucktem.com
 
                    
                   
                    
                   
                    
                  